コンピュータ・アーキテクチャ 第2回
論理回路の実現
物質は電気の通しやすさ(電気電動度)の違いによって3種類に分類できます。
- 絶縁体 --- 石英、テフロン、
- 導体 --- 銅(Cu)、銀(Ag)、鉄(Fe)など
- 半導体 --- シリコン(Si)、ゲルマニウム(Ge)、ヒ化ガリウム(GaAs)、
リン化ガリウム(GaP)など
半導体
- 電子(electron) --- 負の電荷を持つ
- 正孔(hole) --- 正の電荷を持つ
- 真性半導体 --- 不純物をまったく含まない半導体のこと。
たとえば Si (シリコン)、Ge (ゲルマニウム)、ヒ化ガリウム(GaAs)など。
電界をかけると(熱的に励起された自由電子と正孔がキャリアとなって)
電流が流れます(ドリフト電流)。
- 不純物半導体 --- 真性半導体にある種の不純物を微小量だけ添加
(doping,ドーピング)したもの。
- p型半導体 --- 不純物として3価の元素 (たとえばIn, インジウム) を
添加したもの。
正孔が多数キャリアとなります。
- n型半導体 --- 不純物として5価の元素 (たとえば As, ヒ素) を添加したもの。
自由電子が多数キャリアとなります。
自由電子は正孔よりも動きやすいので、キャリアの移動速度は n 型の方が
p型よりも速くなります(=半導体デバイスとしても n型 の方が速くなります)。
- ダイオード (diode) --- pn接合ダイオードは、単一の半導体結晶の中に
p型とn型領域が隣接した構造(接合面をpn接合という)をしています。
pn接合面では電圧を加えなくても拡散によってキャリアは移動します。


- トランジスタ --- p型と n型の半導体を pnp または npn の順番で
3層に並べたもの。
- FET --- 電界効果トランジスタ (Field Effect Transistor)。
FETは、正孔か自由電子のうちどちらか一方のキャリアで動作しますので
ユニポーラ・トランジスタ(unipolor transistor)と呼ばれます。
これに対して、普通のトランジスタは正孔と自由電子の両方をキャリアに
使いますのでバイポーラ・トランジスタと呼ばれます。
FETはドレイン(drain)、ソース (source)、ゲート (gate) という
3つの電極を持ちます。
ゲートの作り方により次の3種類に分類されます。
- JFET (Junction FET、 接合型FET)
- MMESFET (MEtal Semiconductor FET) --- 金属のゲート
- MOSFET (Metal Oxide Semiconductor FET) --- シリコン酸化膜のゲート

キャリアの通路をチャネル(channel)といいます。
チャネルの幅を(電圧をかけることによって)制御するのが
ゲートです。
キャリアを水にたとえると、水源がソース、
調節弁がゲート、排水構がドレインとなります。
チャネルを通過するキャリアが正孔のとき pチャネル、自由電子のとき
nチャネルと呼びます。
チャネルには次の2種類があります。
- エンハンスメント型 --- ゲートに電圧をかけることによってはじめて
チャネルができるもの (normally off)。
- デプレッション型 --- あらかじめチャネルが作られていて、電圧をかける
ことによって電流が流れなくなるもの (normally on)。
MOSFET --- MOSFETのゲート構造は、ガラス(2酸化ケイ素)でできた絶縁膜
に電極を取り付けただけです。
エンハスメント型FETは、ゲート電圧をかけることによってはじめて
チャネルをつくり出すことができます。
ゲートに電圧をかけないときは、ドレイン電流は流れません。
ゲート電圧をかけると、絶縁体に生じた誘電分極により、
p型半導体の正孔は電極のマイナス側へ押しやられ少数キャリアの自由電子が
プラス側に移動します。その結果、絶縁体の直下にはp型がn型に反転した
領域(反転層)ができ、ここがチャネルとなってドレイン電流が流れます。
デプレッション型の場合は、反転層に相当するチャネルがあらかじめ
作られています。
ゲート電圧によってチャネルを広くしたり狭くしたりします。

MOSFETの図記号
| エンハンスメント型 |
N-MOS |
 |
ゲート電圧が正のときだけ通電 |
| P-MOS |
 |
ゲート電圧が負のときだけ通電 |
| デプレッション型 |
N-MOS |
 |
ゲート電圧が正のときだけ切れる |
| P-MOS |
 |
ゲート電圧が負のときだけ切れる |
基本論理回路の原理
集積回路
ディジタル回路は,現在では、個別の部品回路としてではなく、
シリコン結晶の表面を加工するプレーナ技術
(回路図を何枚ものマスクパターンして作成します。
シリコンの表面に感光材を塗り、マスクパターンを順番に露光させて
シリコン表面に酸化膜を作り、さまざまな処理を行って目的の位置に
特定の元素を添加していく方法)
で製造されています。
シリコン・チップ上の電子回路を集積回路 (Integrated Circuit, IC)と
よびます。チップ上の回路素子の数が集積度です。
IC には「バイポーラ型IC」と「MOS型IC」があります。
バイポーラ型IC
MOS型IC
MOS ICにはp型MOS (n型の基盤の上に形成) と n型MOS (p型の基盤の上に形成)の
2種類があります。n型の基盤の上にp型とn型の両方のMOS回路を合成する場合は
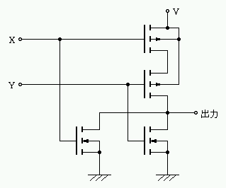
以下の図のようにします。

n型とp型のエンハンスメント型のMOS トランジスタを組み合わせて
用いる「相補型MOSトランジスタ」(complementary MOS, CMOS) の
NOT回路は以下のようになります。
nチャネルのMOSトランジスタ T1 のドレインと, pチャネルの MOS トランジスタ
T2 のドレインが接続されており、入力は両方のMOSトランジスタのゲートに
接続されています。
入力が高レベルになれば T1 が導通しますが T2は遮断されて、
出力は低レベルになります。
入力が低レベルになれば T2 が導通しますが T1は遮断されて、
出力は高レベルになります。
いずれの場合も、電源から接地に向かって電流は流れません。
このためCMOSでは消費電力を著しく小さくできます。
|
|
|
| CMOSによるNOT回路 |
CMOSによるNAND回路 |
CMOSによるNOR回路 |
集積回路
- IC (Integrated Circuit, 集積回路) --- 小さな1つの
シリコン・チップ上に、複数の素子を作り上げて回路を構成します。
| 呼び方 | 素子数/1チップ |
| SSI (Small Scale IC, 小規模集積回路) | 100個以下 |
| MSI (Medium Scale IC, 中規模集積回路) | 100〜1000個 |
| LSI (Large Scale IC, 大規模集積回路) | 1000〜10万個 |
| VLSI (Very LSI, 超LSI) | 10万〜1000万個 |
| ULSI (Ultra LSI, 超超LSI) | 1000万個以上 |
LSIの製造
- シリコン単結晶インゴットの製造
- 地球の地殻中で2番目に多い元素 シリコン (Si) は、SiO2
の形で存在します。
これを 99.999999999% (eleven nine) の純度にまで精製します。
- シリコンをルツボに入れて、1240度以上の高温で融解します。
このときに、不純物をごく小量混ぜて、P型またはN型の性質を持たせます。
- 小さなシリコン結晶を種にして、回転させながら引き上げ、シリコンの
単結晶の棒を作ります。
インゴットの直径は、以前は 10cm でしたがだんだん太いもの(20cmなど)
が製造できるようになっています。
- シリコンウェハの製造
インゴットをダイヤモンド・カッターで 0.5mmの厚さにスライスし、表面を
鏡面仕上げします。
- シリコン表面に、マスクした部分とマスクしない部分を作り、
不純物となる物質を「高温のガス状にして化学的に反応させる」または
「電子的に加速して打ち込む」ことで、所定の性質(N型,P型)を持たせます。